
T型槽平臺|T型槽平板開槽間距及參照標準
客戶在選擇T型槽平臺,T型槽平板,電機試驗平臺,裝配平臺及機床工作臺的時候,不知道需要用多大的螺栓及T型槽開口尺寸,包括T型槽的間距,全意重工詳細把T型槽的標準及螺栓使用情況整理出來,供客戶選擇參考,希望能給大家帶來一些幫助。
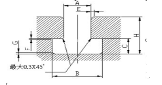
一、T型槽的各部位代表意義(見下圖、表格)
T型槽各部位尺寸 單位mm T型槽配套螺栓尺寸 單位mm
A
基本
尺寸
|
B
小 大
|
C
小 大
|
H
小 大
|
d
公稱
尺寸
|
S
大
尺寸
|
K
大
尺寸
|
備注
|
|||
5
|
10
|
11
|
3.5
|
4.5
|
8
|
10
|
M4
|
9
|
3
|
一般T型螺
栓尺寸要小
于T型槽尺
寸,這樣才
能保證螺栓
能在T型槽
里面滑動。
|
6
|
11
|
12.5
|
5
|
6
|
11
|
13
|
M5
|
10
|
4
|
|
8
|
14.5
|
16
|
7
|
8
|
15
|
18
|
M6
|
13
|
6
|
|
10
|
16
|
18
|
7
|
8
|
17
|
21
|
M8
|
15
|
6
|
|
12
|
19
|
21
|
8
|
9
|
20
|
25
|
M10
|
18
|
7
|
|
14
|
23
|
25
|
9
|
11
|
23
|
28
|
M12
|
22
|
8
|
|
18
|
30
|
32
|
12
|
14
|
30
|
36
|
M16
|
28
|
10
|
|
22
|
37
|
40
|
16
|
18
|
38
|
45
|
M20
|
34
|
14
|
|
28
|
46
|
50
|
20
|
22
|
48
|
56
|
M24
|
43
|
18
|
|
36
|
56
|
60
|
25
|
28
|
61
|
71
|
M30
|
53
|
23
|
|
42
|
68
|
72
|
32
|
36
|
74
|
85
|
M36
|
64
|
28
|
|
48
|
80
|
85
|
36
|
40
|
84
|
95
|
M42
|
75
|
32
|
|
54
|
90
|
95
|
40
|
44
|
94
|
106
|
M48
|
85
|
36
|
|
T型槽標準:按照國標(GB/T158-1996)標準制造
二、T型槽平臺,T型槽平板,T型槽工作臺,電機試驗平臺,裝配平臺的T型槽間距
T型槽間距(表格)單位mm
T型槽開口寬度A
|
T型槽間距尺寸P
|
|||
5
|
|
20
|
25
|
32
|
6
|
|
25
|
32
|
40
|
8
|
|
32
|
40
|
40
|
10
|
|
40
|
50
|
63
|
12
|
(40)
|
50
|
63
|
80
|
14
|
(50)
|
63
|
80
|
100
|
18
|
(63)
|
80
|
100
|
125
|
22
|
(80)
|
100
|
125
|
160
|
28
|
100
|
125
|
160
|
200
|
36
|
125
|
160
|
200
|
250
|
42
|
160
|
200
|
250
|
320
|
48
|
200
|
250
|
320
|
400
|
54
|
250
|
320
|
400
|
500
|
注:T形槽間距p欄中,括號內的數值與T形槽槽底寬度 大值之差值,可能較小,應避免使用。
相對於每個T形槽寬度,表2中給出三個間距,應根據使用需要條件選擇T形槽間距。
特殊情況需採用其他尺寸間距時,則應符合下列原則:
1)採用數值大於或小於規定T形槽間距P的尺寸時,應從優先數系R10系列的數值中選取;
2)採用數值在規定T形槽間距p的尺寸范圍內,則應從優先數系R20系列的數值中選取。
3)注:任一T形槽的極限偏差都不適累計誤差.
T型槽平板詳情:http://m.dedecmswap.com/pbpt/586.html
全意重工 生產T型槽平臺,T型槽平板,裝配平臺,裝配平板,鑄鐵工作臺,電機試驗平臺,
機床工作臺等開槽鑄鐵平臺、鑄鐵平板產品,產品出口捷克,德國,意大利,西班牙,沙特韓國,
印度,越南,澳大利亞等國家,出口品質值得信賴!
.
中文版
English







